Laboratorio de Computación Física Artes Electrónicas / LAEIA

Técnicas

Expansión de las interfaces de microcontroladores

Operaciones con bits y bytes en Arduino

Ejemplos

E/S digital rápida en Arduino con registros y puertos

Ejemplos

Multiplexores y demultiplexores

Ejemplos

Cascada de múltiples etapas 4051

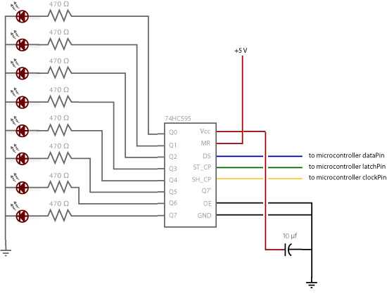
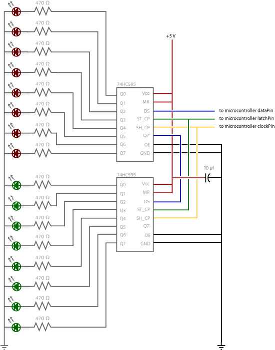
Aumento de salidas digitales con registros de desplazamiento (shift registers)

Ejemplos

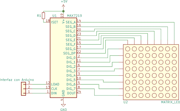
Drivers para matrices LED MAX7219 y MAX7221

Tutorial matriz LED con Arduino y driver MAX7219/MAX7221

Librería LedControl

Librería LedController para Esp32

Matrices LED ánodo común y cátodo común

Conexión MAX7219 y matriz LED con Arduino

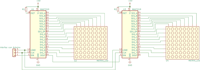
Conexión de matrices LED en cascada

Microcontroladores Arduino para interfaces vestibles y corpóreas

Arduino Lilypad

Arduino ProMini

Microcontrolador Raspberry Pi Pico RP2040 W (WiFi+Bluetooth)

Documentación

Instalación en Arduino IDE

Ejemplos

Prueba Pico W

Básicos

Wifi

Bluetooth

NTP (Network Time Protocol)

Scripts de OSC en Processing

Microcontrolador NodeMCU ESP32 (WiFi+Bluetooth)

Instalación en Arduino IDE

Controladores CP210x USB a UART Bridge VCP

 

Ejemplos

Prueba ESP32

Básicos

Sensores táctiles

Wifi

Bluetooth

Multitask

NTP (Network Time Protocol)

Scripts de OSC en Processing

Microcontrolador NodeMCU ESP8266 (WiFi)

Instalación en Arduino IDE

Controladores CP210x USB a UART Bridge VCP

 

Raspberry Pi (microcomputadora ARM con WiFi+Bluetooth)

Instalación del sistema operativo

Manuales

Configuración e instalación de software (consola)

Puertos GPIO: entradas y salidas digitales / PWM

Processing para Android APDE

Aplicaciones de Processing para Android

Librería Ketai para Android

Otras librerías útiles para Processing en Android